黑船 · 6月18日

永磁同步电机无速度传感器矢量控制PMSM_FOC_sensorless方法综述-SMO+PLL

前言:无感控制策略是电机控制中的研究热点之一,接下来分几期文章做一个PMSM的无感专题。通过理论和验证两个角度进行对介绍的方法策略进行解读。

需要技术交流辅导和相关模型,关注微信公众号:浅谈电机控制,留言获取。也可私信进电机控制交流群。

一、永磁电机无感控制研究背景

无感控制的研究主要是为了解决因外部条件限制和成本的要求而进行的,主要的方法分为高频信号注入法和模型法。永磁同步电机区别于异步电机,在不同的速度范围因为电机特性的问题,需要采用不同的估计方法。

图片

图1.1 永磁同步电机无感控制技术分类

除上述介绍的方法外,也存在全速域范围内的单一观测器无感控制策略,比如非线性磁链观测器法、基于dq轴下的电流估算法等。

二、永磁同步电机无感控制策略梳理

2.1 滑模SMO控制法

2.1.1 对滑模SMO控制的理解

滑模控制是一种特殊的非线性控制系统,它与常规控制的根本区别在于控制的不连续性,即一种使系统“结构”随时变化的开关特性。这种方法实现的关键在于滑模面函数的选取和滑模增益的选择,既要保证收敛的速度,也要避免增益过大而引起电机运行时产生过大的抖振问题。由于滑模控制对系统模型精度要求不高,对参数变化和外部干扰不敏感,所以它是一种鲁棒性很强的控制方法。在三相PMSM控制系统中,该方法是基于给定电流与反馈电流间的误差来设计滑模观测器(Sliding Model Observer ,SMO)的,并由该误差来重构电机的反电动势、估算转子转速和位置。

由于滑模观测器受系统参数变化以及外部扰动的影响小,观测结果具有很好的鲁棒性,但是滑模变结构控制在本质上是不连续的开关控制,使得电机引入额外的电压、电流噪声信号,引起系统发生抖动。由频繁切换引起的抖动对于矢量控制在低速区域运行也是有害的,将会引起较大的转矩脉动。为了提高观测器的响应速度,需要提高切换的频率以及增益,但另一方面,高切换增益会对速度的估算精度产生影响。因此,需要通过实验调试来选择合适的参数。此外,滑模控制通过观测电机的反电动势来得到速度,低速区域由于电机的反电动势值较小,且易受到系统测量误差的影响,滑模控制器将不能得到很好的观测结果。

基于控制理论的各种速度观测算法,如扩展卡尔曼滤波法、MRAS、滑模观测器法等应用在无传感器控制系统中都会存在一些问题。尽管在此基础上提出了许多改进的方法,但是这些适用于中、高速运行的无传感器控制技术都是直接或间接的从反电动势中提取电机的转速和位置。由于反电动势值与速度成正比,当转速很低甚至到零速时,反电动势的信噪比小且存在其它干扰,造成转速和位置的观测误差较大。

2.1.2 滑模SMO的实现

2.1.2.1 滑模变结构的实现原理

滑模变结构控制是变结构控制策略的一种,其基本原理为:在状态空间内建立超平面,并利用超平面两侧不连续的控制方式使得系统结构不断发生变化,最终使其收敛于平衡点或其领域内。

图片

图2.1.1 滑模变结构控制示意图

图片

图2.1.2 滑模变结构控制轨迹图

2.1.2.2 滑模面和滑模增益的选取

图片

图2.1.4 传统滑模观测器的控制框图

传统滑模观测器的结构图,如图(2.1.4)所示。滑模观测器是一种常用的状态观测器,其主要功能是对非线性的状态进行估计和观测。在滑模观测器中,电流滑模观测器和切换函数是核心的组成部分,其作用是通过观测系统的输出和输入信号,计算出系统的状态估计值。除此以外,滑模观测器还包括低通滤波器以及转子转速和位置的提取环节。低通滤波器用于滤除高频噪声,以确保状态估计值的准确性和稳定性。转子位置和转速的提取环节则用于获得估计的电机转子转速和位置,用于闭环控制。

目前,表贴式永磁同步电机的传统SMO算法的设计大多数是基于静止坐标系下的数学模型,重写电压方程为:

图片

图片

图片

2.1.3 锁相环PLL的设计

图片

图2.1.5 传统锁相环PLL的控制框图

锁相环包括鉴相器(Phase detector, PD)、环路滤波器(Loop filter, LF) 和压控振荡器(Voltage-controlled oscillator, VCO)三个部分,各部分结构和参数直接影响PLL的稳、动态性能。

PD:就是判断输入信号和输出信号的相位和频率是否一致;

LF:一般为低通滤波器,就是过滤掉频率远超过输入信号的部分;

VCO:调节输出信号跟上输入信号。

2.1.4 建模验证分析

图片

图2.1.7 SMO观测器建模

图片

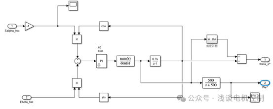
图2.1.8 锁相环建模

图片

图2.1.9 估计速度的波形跟踪情况

图片

图2.1.10 估计位置的波形跟踪情况

从上述仿真波形变化情况可以看出,搭建的SMO+PLL的永磁无感控制系统,可以较精确地估算出转子的位置和转速信息。

三、问题讨论

3.1 为什么滑模SMO观测器不适合低速区域估计转速和位置?

3.2 滑模观测器中的抖振问题,一般的解决措施是什么?

END

作者:浅谈电机控制
来源:浅谈电机控制

推荐阅读

更多电机控制技术干货请关注电机控制专栏。
迎添加极术小姐姐微信(id:aijishu20)加入技术交流群,请备注研究方向。

推荐阅读
关注数
2516
内容数
55
专注电机控制,偶尔不务正业
目录
极术微信服务号
关注极术微信号
实时接收点赞提醒和评论通知
安谋科技学堂公众号
关注安谋科技学堂
实时获取安谋科技及 Arm 教学资源
安谋科技招聘公众号
关注安谋科技招聘
实时获取安谋科技中国职位信息